Corrosion Resistant Phosphate Conversion Coatings Analysis

ByMatt Jobbins,4 minutes读书
Industry: 技术:

Rusting of Automobile Frames & Undercarriage

十多年来,汽车行业一直面临着十亿美元的底盘腐蚀或框架腐烂问题。当汽车的发动机摇篮,底盘和/或框架随着时间的推移开始生锈时,就会发生框架腐烂。框架腐烂随着时间的推移自然发生,并且可以根据该地区的气候或湿度加速。汽车行业在制造过程中采取预防措施,通过将这些零件涂上磷酸盐转化涂层。

卡车腐病示例腐蚀损坏
Fig. 1 – Corrosion of automobile undercarriage commonly known as frame rot in the automobile industry.

Corrosion Resistant Phosphate Conversion Coatings Analysis

Phosphate conversion coatings are crystalline coatings applied to steel in order to prevent corrosion and promote the adhesion of paints. Frequently used in the automotive industry, these coatings are important as the first line of defense in the prevention of rust on critical structural components of automobiles including chassis and engine cradles.Scanning Electron Microscopes (SEM)Energy Dispersive X-ray spectroscopy (EDS)are invaluable tools for providing high resolution images of the crystalline structure of these materials, as well as determining the coverage and quality of these coatings.

扫描电子显微镜分析的磷酸盐Conversion Coatings

ThePhenom desktop SEM采用独特的属性来帮助分析磷酸盐转化涂层,包括:

  • 与自动图像采集相结合的后刻表电子检测可实现基于BSE信号的极高通知数据采集和定量后处理。
  • The high-brightness CeB6 source produces unparalleled image quality while maintaining an extremely long lifetime.
  • 带有映射的集成EDS检测器可以快速确定含量为零的含糊不清的涂层质量。

Two types of detectors are routinely used to generate SEM images: back-scatter electron (BSE) detectors and secondary electron (SE) detectors. The key benefit of BSE detectors for this application is that voids in the coating are clearly visible, since the image contrast is sensitive to the elemental difference between the phosphate conversion coating and the underlying steel.

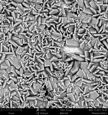
Zn3(PO4)2转换涂层的BSE图像
图2 - Zn的BSE图像3(PO4)2转换涂层。
SE map analysis of a Zn3(PO4)2 conversion coating
Fig. 3 – SE image of Zn3(PO4)2转换涂层。

Automated Image Acquisition and Analysis with the Phenom Scanning Electron Microscope (SEM)

ThePhenom SEMcan be programmed to randomly acquire images and automatically quantify coating coverage based on the gray level difference seen in the BSE image. Programmable acquisition minimizes user bias and allows for significantly more area to be measured in much less time.

Quantitative image processing to measure zinc phosphate coating coverage
Fig. 4 – Quantitative image processing to measure zinc phosphate coating coverage.
假色覆盖突出显示裸露的铁。
Fig. 5 – False color overlay highlighting exposed iron.
随机获取的十张图像以定量分析Zn3(PO4)2转换涂层覆盖范围
Fig. 6 – Ten images acquired at random to quantitatively analyze the Zn3(PO4)2conversion coating coverage.

A custom script was written to acquire ten images at random and then perform a threshold analysis to quantitatively determine the Zn3(PO4)2conversion coating coverage in this example. Coating coverage was measured over 1.4 mm2分辨率为350 nm。获取的随机性质和亮度阈值的一致应用创造了没有用户偏见的数据。

Acquiring these results over an equivalent area with a conventional SEM would require approximately 30 minutes of effort. With the Phenom XL the whole process can be automated in under 2 minutes. Further, the large sample holder of the XL can accommodate up to 36 samples allowing for extremely fast batch acquisitions.

Determination of Elemental Composition of Phosphate Conversion Coatings by EDS

除了通过BSE信号进行定量覆盖范围映射外,还可以使用能量色散X射线光谱法(EDS)测量覆盖范围和空间分辨的元素组成。EDS对于确定材料表面上污染物的化学成分也非常有价值。

Zn3(PO4)2转换涂层的EDS图分析。
图7 - Zn的SED地图分析3(PO4)2转换涂层。
Zn3(PO4)2转换涂层的EDS图分析。
图8 - EDS MAP分析,具有颜色涂层元素的识别Zn3(PO4)2转换涂层。


按需演示 - 涂料覆盖范围分析from英超利物浦足球俱乐部Vimeo.

Request More Information

Baidu